VIA MARCONI, 15
20090 TREZZANO SUL NAVIGLIO
MILANO ITALY
TEL. +39-02-44.55.138 / +39-02-48.40.18.28
FAX +39-02-44.53.823
e-mail: info@tempomatic.net

SUONERIE / RONZATORI - Accessori per timers

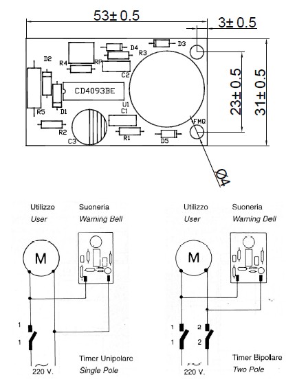
Segnalatore Acustico
Tipo: SI 1791
 
Suoneria elettronica

CARATTERISTICHE GENERALI:

  • Frequenza del ronzatore: ca 3,8 kHz
  • Frequenza di intervallo: ca 1,5 kHz
  • Tempo di allarme: min. 15 sec.: T 125°C
  • Ampiezza del suono: ca 72 dB (a 1 metro)
  • Alimentazione: 230 VAC
    (altre alimentazioni su richiesta)
  • Temperatura ambiente: -40 60°C
  • Questi segnalatori possono essere collegati
    a qualsiasi tipo di timer o interruttore.
  • Tipo SI1791G: avviso acustico all’apertura del
    contatto
  • Tipo SI1791C: avviso acustico alla chiusura del
    contatto
 
 
 
Segnalatore acustico


Tempomatic S.r.l.


Registro delle imprese di Milano n. iscr. P.I. 05955330153
Capitale Versato: euro 10.400,00
Informativa sulla Privacy